Steuerung eines Schattenbahnhofs
(Schaltpläne zum Vergrößern anklicken)
Wir können Schattenbahnhöfe manuell oder automatisch steuern.
Weil Schattenbahnhöfe im allgemeinen verdeckt angeordnet sind, ist es erforderlich diese automatisch zu steuern. Außerdem sollten alle Gleise mit Gleisbesetztmeldern ausgestattet sein, damit man weiß, in welchen Gleisen Züge stehen.

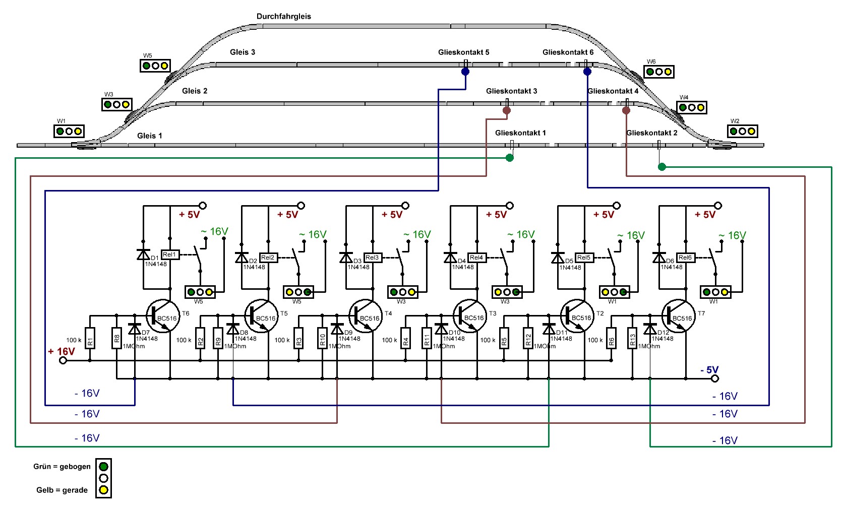
Diese Schaltung zeigt den Aufbau einer Relaiskarte.
Die Funktionsweise ist einfach.
Fährt ein Zug in den Schattenbahnhof ein und Gleis 1 ist besetzt, dann fährt dieser Zug auf das nächste freie Gleis.
Sind aber alle Gleise besetzt, so wird dieser Zug auf das Durchfahrtsgleis umgeleitet.
Hier werden alle Ausfahrweichen auf Durchfahrt gestellt.
Zum Schluss sollten Sie noch beachten, dass die Gleise so lang sind wie ihr längster Zug.
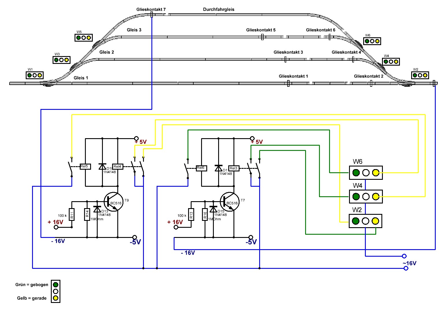
In dieser Schaltung zeige ich Ihnen die Anwendung mit dem Gleisbesetztmelder.